Из всех маздовских
штатных голов хочется отметить голову Panasonic CQ-MM4570AK.
Каким то непонятным
образом разработчик и производитель не
пожалели сил и средств и произвели на свет голову в которой стоят детали отнюдь
не бюджетного качества и в результате эта голова звучит действительно хорошо
даже в стоковом исполнении.
В первую очередь это
заслуга конденсаторов - в голове стоят только практически электролиты от Elna и
немного от Panasonic:
Во вторых - это хорошая
разводка и качество платы,
в третьих - это
использованный в СД приводе ЦАП от NEC (uPD63712GC),.... больший радиатор для
УМ... может еще что попадется, о чем я скажу ниже.
Но эта голова стоит в
автомобиле Мазда6 и вот её внешний вид:
Так получилось, что один
мой товарищ сразу же после покупки машины заказал себе голову с шестидисковым
чейнджером (GR1A-79-EGX), а голову CQ-MM4570AK просто засунул в коробку и так
она и пролежала у него до сих пор.
Вот и попробовал я голову
Panasonic CQ-MM4570AK доработать и приспособить в Мазда3.
Итак, голова Panasonic
CQ-MM4570AK:
По разъемам питания
маздовские головы полностью идентичны, вопрос - совпадет ли лицевая панель
управления от Мазда3 с этой головой?
Как показал эксперимент
все совпадает, за исключением, что крутилкой AUDIO CONT нужно
нажимать/переключать, а крутилкой TUNE AUTO-M-DISP выбирать нужное
значение ALC, BASS... и не заработала
регулировка тембра СЧ (хотя в голове такая возможность присутствует).
Также не работает переключение БК.. :(
Приступаем к адаптации
головы для тройки. Одна из основных проблем - это то, что в автомобилях Мазда6
на тыловые динамики подается уровень мощности раза в четыре меньше, чем на
фронт. В чем тут причина - из-за дверей.. вряд-ли, скорее всего из-за
особенностей салона. Если на тыл подавать такой-же уровень мощности, как и на
фронт, то вся сцена в шестерке тупо утягивается тоже назад... ну да ладно
гадать.
В тройке что на фронт,
что на тыл подается одинаковая мощность, вот этим выравниванием вначале и
займемся.
Такая разница в мощности
между фронтом и тылом делается резисторами перед входами в усилитель мощности:
...как видно на
фотографии - на фронт после разделительных конденсаторов стоят резисторы 1,2
кОм (122), а на тыл стоят резисторы 10 кОм (103).
Правда не так все хорошо
и с уровнем максимальной громкости на
фронтах - с резисторами 1,2 кОм практически на всех СД дисках уже к 30 значению
громкости слышны сильные искажения. Таким образом нам надо на процентов 5-8
уменьшить уровень сигнала, подаваемого на усилитель мощности.
Не так все просто.. мне
кажется, что еще в аудиопроцессоре M62490FP из-за усиления в 3,68 раза в промежуточном предваре, сделанном на ОУ
JRC2058 начинается перегруз... поэтому на всякий случай не буду увеличивать
резисторы на входе УМ до 1,5- 1,8 кОм......
Делаю так - перед входом
в УМ устанавливаю резисторы 1 кОм, а в предусилителе на JRC2058 вместо 8,2 кОм
устанавливаю резисторы 10 кОм (обведены синим цветом).... в следующий раз можно
попробовать поставить 9,1 кОм.
...также, как видно на
фото меняю конденсаторы по питанию и уменьшаю глубину тонкомпенсации по
высоким, установив вместо 3,9 кОм резисторы 10 кОм (обведены красным цветом)
Чтобы закончить с
тонкомпенсацией: сдвигаю начало подъема НЧ примерно на октаву вниз и для этого
припаиваю по 150 нФ к конденсаторам С312 и 212 на обратной стороне платы:
По разделительным
конденсаторам:
Выход после СД привода
ставлю 10 мкФ (обведены зеленым цветом)
разделительные с разъема
СД чейнджера - 4,7 мкФ (обведены зеленым) и разделительные на УМ ставлю
пленочные WIMA MKS02 номиналом 0,47 мкФ:
То, что менялось по
питанию - отмечены галками и подписаны номиналы.
Теперь посмотрим на СД
привод:
Два конденсатора,
отмеченных красными галками отсутствовали на плате.
Поэтому устанавливаю эти
конденсаторы следующих номиналов:
Также увеличиваю
конденсаторы (ставлю 470, и 220,0, а стояли 220,0 и 82,0) в питании СД привода:
Также изначально правильно (под сложившуюся практику применения хкарлинков и входов AUX) в этой
голове сделан аудио вход с разъема CD чейнджера. Здесь уже изначально минусовые
входа балансного входа M62490FP заземлены через конденсаторы на землю и таким
образом наводки не проникают в віходной сигнал по открытым минусовым входам,
как это происходит практически во всех маздовских головах. Так что тут и
дорабатывать ничего не надо.
Вот, пожалуй и всё. :)
Пометки для себя.
Несмотря на то, что в
uPD63712GC предусмотрен цифровой выход, как в потоке, так и раздельно.... к
сожалению в примененной здесь модификации uPD63712GC опять ничего нет.. на нужных ножках ноль....
есть только аналоговый выход после встроенного ЦАПа..... жалко.
Если выводить линейки с
головы, то надо будет обойти пред на JRC2058, так как не вижу смысла в таком случае пропускать кажый канала через ОУ ...... усиление там 22/8,2+1=3,68 (по схеме на голову 4570АК должны стоять номиналы 16 кОм и 8,2 кОм - то есть усиление 16/8,2+1= 2,95). Поэтому просто ставим
разделительный 2,2 мкФ между 12 и 13, 24 и 25 ногами M62490FP, два входа JRC ( 5 и 10 ножки) на землю,
а внешний пред запускаем примерно на усиление 6, то есть: разделительные 10,0 мкФ,
резисторы 3,1 кОм и 18 кОм.
1. Без усилителя на Мите - 70 кОм.... и усиления на 5 вполне хватило (3,6 кОм и 18 кОм)
При установке этой головы в Мазда3 все заработало как надо, за исключением переключения режимов БК.
Жалко.
Цеплять адаптер в принципе не есть большая проблема... ясно, что подойдет CIR-309U, можно найти побюджетнее - но это уже в целом не бюджетно.....
если только не преследовать цель управлять другими устройствами в виде ДВД, PCCar... и др.
Практически у тройки FL и шестерки FL+ одни и те команды, которые подаются в CAN шину для переключения режимов БК.... видимо есть какая-то не состыковка между цифровыми командами от передней панели к голове.....
Буду еще думать... но скорее всего шестерочными головами будут пользоваться только шестерочники, а троечники будут пользоваться только троешными головами.... - если только кому этот БК побоку.
PreAmplifier 4K-12MP Rel Mute
Вот так выглядит плата предусилителя (плата MP2012/12):
Вот такая печатная плата:
Плата встроенная в "подвал" головы:
При установке этой головы в Мазда3 все заработало как надо, за исключением переключения режимов БК.
Жалко.
Цеплять адаптер в принципе не есть большая проблема... ясно, что подойдет CIR-309U, можно найти побюджетнее - но это уже в целом не бюджетно.....
если только не преследовать цель управлять другими устройствами в виде ДВД, PCCar... и др.
Практически у тройки FL и шестерки FL+ одни и те команды, которые подаются в CAN шину для переключения режимов БК.... видимо есть какая-то не состыковка между цифровыми командами от передней панели к голове.....
Буду еще думать... но скорее всего шестерочными головами будут пользоваться только шестерочники, а троечники будут пользоваться только троешными головами.... - если только кому этот БК побоку.
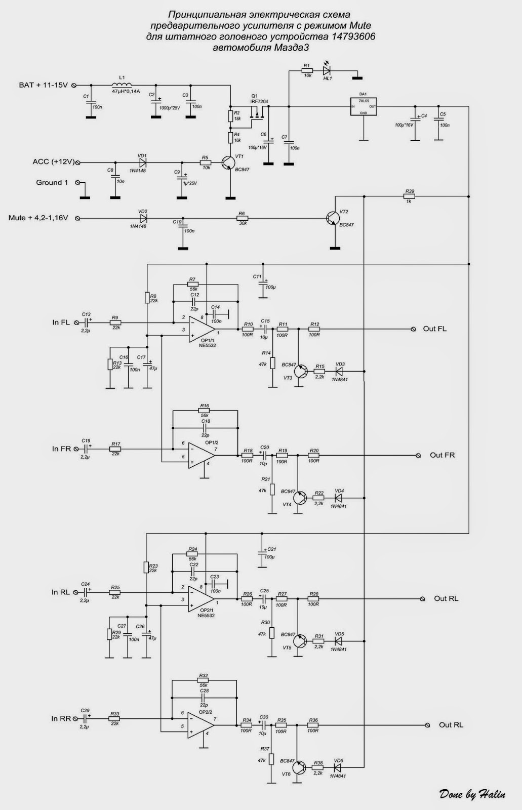
Как я уже обещал - напишу немного про новый предусилитель под названием PreAmplifier 4K-12MP Rel Mute, который был применен в доработке штатной головы Мазда3, 2009 года выпуска, № 14793606.
При
установке предусилителя сделанного по обыкновенной схеме с однополярным
питанием, как бы мы не старались, приходится непосредственно соединять
аналоговую землю после аудиопроцессора с собственно с землей питания.
Естественно
все наводки (хоть они и маленькие), так или иначе попадают на вход
предусилителя и усиливаются вместе с полезным сигналом (их может и не
слышно, но они есть!)
Есть несколько вариантов развязки земли...
почти все я пробовал и тут решил попробовать развязать земли с помощью
специализированной двухканальной микросхемы под названием BA3121F.
Применение такой гальванической развязки позволяет разделить аналоговую и
цифровую/силовую земли, а это, в свою очередь, исключает протекание по
аналоговой земле токов помехи от силовой и цифровой земли.....
Чтобы было понятно дальше, о чем идет речь, я приведу принципиальную схему предусилителя:
Ключики Mute, как их не включай, на каких транзисторах не делай - они тоже совсем не улучшают звук.
По
идее, лучше транзисторные ключики лучше ставить перед предварительным
усилителем, но я так не делал в предыдущих предварительных усилителях,
так как возникает необходимость установки еще одного разделительного
конденсатора, а установив ключики на выходе, мы не можем
беспредельно увеличивать резистор перед ключами (чтобы получить
подавление больше 50 дБ), тут начнёт ощущаться сильное влияние
межблочников.
Решил попробовать вариант на реле. Уж тут получится 100 % подавление сигнала в режимах Mute.
По
схеме видно, что при нормальной работе реле находятся в обесточенном
состоянии и срабатывают лишь только на время митирования сигнала
(напомню, что на 22 ноге УМ при работе: 4,2 вольта, в режиме Mute: 1,2
вольта)
Также предусмотрел некоторые удобства для сборки, установке,
легкой замены - выводные шнурки с RCA сделал на разъёмах и теперь
заменить плату дело одной минуты.
На плату можно не устанавливать BA3121, тогда сигнальные цепи просто соединяются перемычками.
Вот так выглядит плата предусилителя (плата MP2012/12):
Пробовал несколько вариантов предусилителя : на разных хороших бюджетных
разделительных конденсаторах и ОУ NE5532, и разделительных
конденсаторах ELNA Силмик2 и ОУ OPA2134.
По звуку выиграл крайний вариант.Вот такая печатная плата:
Плата встроенная в "подвал" головы:
Некоторые соображения:
- при прослушивании предвара, как предвара -
сразу слышно влияние на звук BA3121 (с точки зрения высокого конца) -
мылит малешко (особенно при входном 3-3,5 вольта в размахе)...... но
хорошо, что тоналку не трогает.
- но зато при установке в голову
сразу слышно, как звук становится чистым!!!! Все таки гальваническая
развязка земель переплёвывет все влияния на звук ВАшки. Это радует и
радует вдвойне.
-
хорошо, что с головы сигнал идет в размахе максимум 2-2,2 вольта... на
ВА3121 лучше больше и не подавать, иначе растут искажения, которые и
слышны как замыливание КИЗ.
-разделительные конденсаторы нужно применять максимально хорошие, какие только удастся достать.
-
ОУ.... - в принципе и 5532 могут быть, но лучше повыше классом. Теперь,
когда есть гальваническая развязка - можно и совсем аудиотоповые.
Значит
будем двигаться дальше - решаем в следующем варианте предвара вопрос по
использованию лучшего питания ОУ..... наша главная задача: максимально
не потерять энергетику и жизнь в звуке.































































